FeatureCAM破解版下载 Autodesk FeatureCAM Ultimate 2024 激活版(附安装教程+注册机+密匙) 64位
FeatureCAM Ultimate 2024破解版是自动化从设计到数控铣削、车削和线切割加工应用NC代码的工作流程。它通过自动化设计和生产过程来减少代码并最终对其进行调整。这个程序是针对数控机床的优化代码,例如切削,车削,铣削,钻孔和生产设施代码。分享了一系列完整强大且智能的工具来自动完成大多数的任务,不需要繁琐的操作和过程,自动化解决方案,只需要最少的代码数量就行!而且知识兔最终代码更稳定、更高质量,有效的减少产品有错误的风险,并且知识兔减少编程时间,创建最佳切割路径,知识兔支持各种数控机床,知识兔包括数控机床,切割,铣削,电火花线切割机床等,FeatureCAM 2024在选项对话框中添加了一个新复选框(“显示”>“阴影”),能够以黑色而不是仅仅以模型颜色的阴影来显示等值线。全新2024破解版下载,有需要的朋友不要错过了!

安装激活教程
1、在知识兔下载并解压,如图所示

2、知识兔双击setup.exe运行安装,勾选我同意使用条款
3、知识兔选择软件安装路径
4、安装完成,知识兔以管理员权限运行crack下的 Autodesk License Patcher Ultimate.exe并等待它完成即可

5、完成后会自动退出,运行程序,然后知识兔选择使用网络许可证(Use A Network License)
6、知识兔选择“单一许可证服务器(Single License Server),知识兔使用127.0.0.1,知识兔点击完成即可
软件特色
1、特征和几何简介
使用几何图形创建可加工特征。创建几何图形后,知识兔可以将其用作单个零件,知识兔也可以将多个几何图形组合成曲线以定义特征边界。然后知识兔,FeatureCAM将自动选择刀具,进给和速度以及切削参数,然后知识兔可以在生成NC代码之前使用各种模拟模式对其进行验证。
2、自动特征识别
自动特征识别(AFR),它会指导您使用实体模型自动创建可加工特征。只需遵循逐步向导,即可分析模型并快速创建特征,知识兔以进行加工。
3、互动特征识别
对于更深入的方法,此视频介绍了交互式特征识别(IFR),该功能可用于以交互方式使用曲面和实体模型生成特征。通过允许您选择用于定义特征边界的面,该方法分享了比“自动特征识别”所分享的控制更高的控制级别。
4、车削概论
导入3D CAD模型,创建曲线和特征,零件仿真以及生成NC代码。
5、车削零件处理
在为车床,车铣床或瑞士型车床编程多个零偏时,如何使用零件处理。这包括将零件从主轴传送到副主轴,无论您使用的是子弹还是条形。软件功能
一、自动化数控编程
1、提高零件编程速度
利用自动化 CAM 缩短编程时间
2、特征识别
使用特征识别功能扫描、识别和创建设计中的可加工特征
3、内置智能
FeatureCAM 可自动选择刀具、步距和下刀步距等,知识兔从而实现编程一致性
3、全面的机床支持
对铣床、车床、车铣机床、瑞士型车床和线切割机等进行编程
4、碰撞回避
保护您的投资,安全加工
5、夹具及固定装置
对零件进行编程时,FeatureCAM 会更新刀具路径,避免与工件夹紧设备发生碰撞
6、毛坯模型
监视剩余毛坯量以避免空切和潜在碰撞
7、仿真和可视化
避免机床停机。亮显已编程零件与公称设计之间的偏差
二、数控加工应用程序
1、数控铣床
FeatureCAM 支持具有一系列配置的三轴、四轴和五轴数控铣床
2、数控车床
分享可改善车床编程的功能,知识兔包括自动拐角钝化和零件处理等
3、车铣中心
Premium、Ultimate
优化多任务处理车铣中心的数控程序以缩短周期时间
4、瑞士型车床
Ultimate
仿真滑动毛坯运动,知识兔使用自动工具映射,并实现高级同步
5、进杆铣床
对进杆铣床进行编程,这是一种整合了诸多连续零件生产功能的铣车机床
6、线切割机
对两轴和四轴线切割机进行编程。利用特定于线的策略获得高质量曲面
7、全面的机床支持
对铣床、铣车机床、车床、车铣机床、瑞士型车床、进杆铣床和线切割机等进行编程
三、面向瑞士型车床的 PartMaker CAM
PartMaker? 软件是一款生产型 CAM 解决方案,可用于通过瑞士型车床制造复杂的高精度零件。
1、瑞士加工
根据可用的刀具和生产量从多个瑞士加工策略中进行选择
2、周期效率
同步并优化加工操作和流程。大幅提高机床利用率
3、数控兼容性和仿真
对来自全球各地机床制造商的一系列瑞士型车床进行编程
4、NC 代码
编辑和控制 NC 代码。查看、调整和编辑 NC 代码和后处理器
使用帮助
1、首次启动FeatureCAM
从开始菜单,知识兔选择所有程序>Autodesk>FeatureCAM。
也可以通过知识兔双击桌面上的FeatureCAM图标来启动该程序。
第一次启动FeatureCAM时,它运行一个程序来创建刀具和材料
知识兔点击确定,开始配置。这将显示刀具和材料设置对话框。
要创建本地数据库,知识兔选择在我的本地计算机。
如果知识兔您希望多台计算机共享相同的刀具和材料信息:
选择我可访问的网络上的另一台计算机上。
单击浏览按钮,然后知识兔使用数据库位置对话框选择数据库所在的文件夹。
提示:有关设置网络数据库的详细信息,请参见刀具和材料设置。
单击下一步。
选择是加载英制或米制刀具。
单击下一步。
如果知识兔选择加载这两种刀具类型,系统会询问您使用哪种刀具类型更多。选择英制或米制,然后知识兔点击下一步。
单击完成,初始化数据库。
注:刀具数据库指定FeatureCAM用于执行制造操作的一组刀具。为获得最佳结果,请使用“特征和制造”选项卡>“刀具”面板>“刀具管理”来自定义数据库,知识兔以反映车间中的刀具。
2、2.5D铣削示例第1部分:创建新的文件
启动FeatureCAM。
从“可用文档类型”列表中,知识兔选择“铣削”。
选择“测量单位”。
知识兔点击创建新的文档。
3、2.5D铣削示例第2部分:定义毛坯
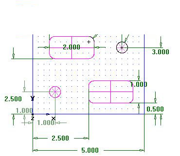
毛坯是您切削零件的初始材料。创建新零件时,将显示毛坯向导的尺寸度页面,它可以确定毛坯的形状和尺寸,毛坯材料,零件程序零点和建模坐标系。
在毛坯向导的尺寸页面:
选择“毛坯”。
输入宽度4(100 mm)。
输入长度5(125 mm)。
输入厚度1(25 mm)。
知识兔点击完成。
4、2.5D铣削示例第3部分:创建特征
此步骤显示如何创建孔和矩形型腔特征。
英寸:
毫米:
创建孔特征。
选择开始选项卡>零件程序面板>特征。
在新的特征向导,知识兔从通过尺寸域选择孔,然后知识兔点击下一步。
输入直径0.5(12 mm),然后知识兔单击下一步。
输入孔中心位置X 1.0(25 mm),Y 1.0(25 mm),然后知识兔点击下一步。
这将显示策略页面。此页面控制用于剪切特征的操作类型。孔特征的默认操作是点钻,然后知识兔钻孔。如果知识兔孔带平倒角,则默认情况是通过点钻操作来切削平倒角。
知识兔点击下一步,接受默认策略设置。
操作页面显示了切削特征操作、自动选择的刀具、以及进给和转速的摘要。
从完成菜单按钮选择完成。
创建一矩形型腔特征。
选择开始选项卡>零件程序面板>特征。
在新的特征向导中,知识兔从在通过尺寸域选择矩形型腔,然后知识兔点击下一步。
知识兔点击下一步,接受默认尺寸设置。
输入型腔位置X 0.75(15 mm),Y 2.5(60 mm),Z 0(0 mm),单击下一步。
策略页面显示创建了粗加工和精加工操作。
知识兔点击完成按钮。
选择开始选项卡>零件程序面板>特征,创建第二个孔,其直径为0.5(12 mm),位于X=4(95 mm),Y=3(75 mm)。
选择开始选项卡>零件程序面板>特征,创建另一矩形型腔,其尺寸和第一个相同,但位于X=2.5(55 mm),Y=0.5(15 mm)。

选择文件>保存,将零件另存为milling.fm。更新日志
2024 已修复的问题
1、工具
修复了使用 SQL 数据库时有时不保存与车刀关联的实体刀柄的问题。FCAM-5914
修复了新铰孔工具的计算直径自动关闭的问题。FCAM-5942
修复了使用 SQL 数据库时无法修改插入曲线或实体刀柄的问题。FCAM-4752
2、刀具路径特征
修复了刀具路径特征的问题,即添加新操作会损坏特征的现有元素。FCAM-5875
3、模拟
修复了以下问题:如果知识兔 ID 螺纹功能处于活动状态,则 3D 模拟会在错误位置显示孔。FCAM-5819
修复了面铣刀模拟中显示的主轴位置不正确的问题。FCAM-5899
修复了在零件支撑关闭操作中使用索引位置时仿真显示错误结果的问题。FCAM-5374
修复了使用“保存结果文件”选项时 3D 模拟可能崩溃的几个问题。这些问题已通过更新用于这些命令的第三方模拟包来修复。FCAM-5880, FCAM-5560
修复了以下问题:如果知识兔预钻取操作使用相同的工具,则 3D 模拟不会模拟整个圆。FCAM-5886
修复了机器仿真的问题,即使知识兔用 4 轴联动机床模型时,某些值未正确初始化,知识兔从而导致模拟不正确。FCAM-5933
4、股票
修复了在特定情况下使用库存模型时导致应用程序意外退出的几个问题。FCAM-4690, FCAM-5885
5、接口和插件
增强了 API,允许确定车刀的车刀座中性方向和 B 轴角度。FCAM-5870
修复了“导出婴儿床到 Fusion”加载项未包含某些可用工具参数的几个问题。FCAM-5825
6、进口
将 Autodesk 翻译框架 (ATF) 更新到版本 12.4。请参阅 FeatureCAM 使用 ATF 12.4 支持的文件版本。FCAM-5849
修复了从 ATF 导入零件时库存值不正确的问题。此问题已通过上述 ATF 更新修复。FCAM-5264
下载仅供下载体验和测试学习,不得商用和正当使用。








